同步恒定工作频率;可编程相位延迟用于控制从操作的运行频率;光—电压稳压以及光—电流稳流;模拟调光及脉冲调光;多控制器件下的可调节分置式脉冲调光;启动或出错状态下可程序化的校正电压时长;开灯保护和短路保护;内置高温保护与低电压锁定模式。TPS68000高效移相全桥CCFL控制器应用电路见图4。

图4 为TPS68000应用于CCFL示意图
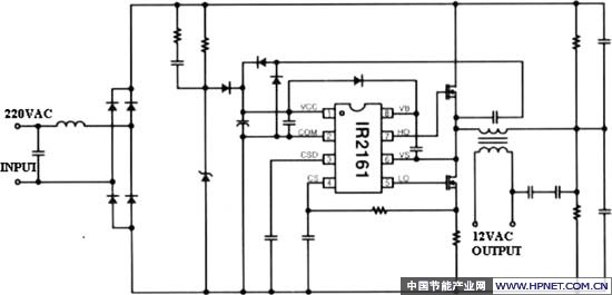
卤素灯转转换器IC
市场中的卤素灯正经受可靠性的挑战,。由于过载和短路故障,电子变压器经常受到损坏。但是,采用合适的技术,卤素转转换器IC就可以成为解决方案,那就是可以使用一个三端的双向可控硅开关元件实现卤素灯管平缓而连续的调光。IR2161面临的挑战就是在小型的8引脚封装内提供广泛的保护特性、灯管电压调节和调光功能(图5)。

图5 应用IR2161于卤素灯框图
IR2161卤素灯解决方案是一个简单、优良的设计,减少了总元件数目,并且提供了更高的性能。IC+MOSFET相结合的解决方案将大大提高这些产品的制造能力和可靠性,也有助于这个市场进一步发展。
结语
随着建筑新照明技术或已有技术的派生得到了发展,譬如直径很细的荧光管甚至LED,它们将与其相关的应用一起创造自己的新市场领域,其结果是进一步推广电子节能照明产品以使整个市场受益。 上一页 [1] [2] [3] [4]
|