华体会(中国)-华体会(中国) 华体会网页版登录入口 政策法规 产业市场 节能技术 能源信息 宏观环境 会议会展 活动图库 资料下载 焦点专题 智囊团 企业库
华体会网页版登录入口  节能产业网 >> 华体会网页版登录入口 >> 国内资讯 >> 正文
四部委正式印发2020-2022年新能源汽车补贴政策 确定三年分别退坡10%、20%、30%!
来源:北极星储能网 时间:2020/4/24 7:47:29 用手机浏览

北极星储能网获悉,4月23日,财政部、工业和信息化部、科技部、发展改革委发布《关于完善新能源汽车推广应用财政补贴政策的通知》,明确将新能源汽车推广应用财政补贴政策实施期限延长至2022年底,原则上自2020年起新能源汽车补贴分别在上一年基础上退坡10%、20%、30%,且2020年保持动力电池系统能量密度等技术指标不作调整。另外还要求新能源乘用车补贴前售价须在30万元以下(含30万元),“换电模式”车辆不受此规定。争取通过4年左右时间,建立氢能和燃料电池汽车产业链



关于完善新能源汽车推广应用财政补贴政策的通知

各省、自治区、直辖市、计划单列市财政厅(局)、工业和信息化主管部门、科技厅(局、科委)、发展改革委:

为支持新能源汽车产业高质量发展,做好新能源汽车推广应用工作,促进新能源汽车消费,现将新能源汽车推广应用财政补贴政策有关事项通知如下:

一、延长补贴期限,平缓补贴退坡力度和节奏

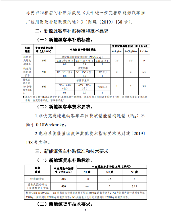
综合技术进步、规模效应等因素,将新能源汽车推广应用财政补贴政策实施期限延长至2022年底。平缓补贴退坡力度和节奏,原则上2020 -2022年补贴标准分别在上一年基础上退坡10%、20%、30%(2020年补贴标准见附件)。为加快公共交通等领域汽车电动化,城市公交、道路客运、出租(含网约车)、环卫、城市物流配送、邮政快递、民航机场以及党政机关公务领域符合要求的车辆,2020年补贴标准不退坡,2021-2022年补贴标准分别在上一年基础上退坡10%、20%。原则上每年补贴规模上限约200万辆。



二、适当优化技术指标,促进产业做优做强

2020年,保持动力电池系统能量密度等技术指标不作调整,适度提高新能源汽车整车能耗、纯电动乘用车纯电续驶里程门槛(具体技术要求见附件)。2021-2022年,原则上保持技术指标总体稳定。支持“车电分离”等新型商业模式发展,鼓励企业进一步提升整车安全性、可靠性,研发生产具有先进底层操作系统、电子电气系统架构和智能化网联化特征的新能源汽车产品。



三、完善资金清算制度,提高补贴精度

从2020年起,新能源乘用车、商用车企业单次申报清算车辆数量应分别达到10000辆、1000辆;补贴政策结束后,对未达到清算车辆数量要求的企业,将安排最终清算。新能源乘用车补贴前售价须在30万元以下(含30万元),为鼓励“换电”新型商业模式发展,加快新能源汽车推广,“换电模式”车辆不受此规定。



四、调整补贴方式,开展燃料电池汽车示范应用

将当前对燃料电池汽车的购置补贴,调整为选择有基础、有积极性、有特色的城市或区域,重点围绕关键零部件的技术攻关和产业化应用开展示范,中央财政将采取“以奖代补”方式对示范城市给予奖励(有关通知另行发布)。争取通过4年左右时间,建立氢能和燃料电池汽车产业链,关键核心技术取得突破,形成布局合理、协同发展的良好局面。



五、强化资金监管,确保资金安全

地方新能源汽车推广牵头部门应会同其他相关部门强化管理,要把补贴核查结果同步公示,接受社会监督,对未按要求审核公示的上报资料不予受理。切实发挥信息化监管作用,对于数据弄虚作假的,经查实一律取消补贴。对监管不严、造成骗补等问题的地方和企业按规定严肃处理。


六、完善配套政策措施,营造良好发展环境

根据资源优势、产业基础等条件合理制定新能源汽车产业发展规划,强化规划的严肃性,确保规划落实。加大新能源汽车政府采购力度,机要通信等公务用车除特殊地理环境等因素外原则上采购新能源汽车,优先采购提供新能源汽车的租赁服务。推动落实新能源汽车免限购、免限行、路权等支持政策,加大柴油货车治理力度,提高新能源汽车使用优势。


本通知从2020年4月23日起实施,2020年4月23日至2020年7月22日为过渡期。过渡期期间,符合2019年技术指标要求但不符合2020年技术指标要求的销售上牌车辆,按照《关于进一步完善新能源汽车推广应用财政补贴政策的通知》(财建〔2019〕138号)对应标准的0.5倍补贴,符合2020年技术指标要求的销售上牌车辆按2020年标准补贴。补贴车辆限价规定过渡期后开始执行。2019年6月26日至2020年4月22日推广的燃料电池汽车按照财建〔2019〕138号规定的过渡期补贴标准执行。


其他相关规定继续按《关于2016-2020年新能源汽车推广应用财政支持政策的通知》(财建〔2015〕134号)、《关于新能源汽车推广应用审批责任有关事项的通知》(财建〔2016〕877号)、《关于调整新能源汽车推广应用财政补贴政策的通知》(财建〔2016〕958号)、《关于调整完善新能源汽车推广应用财政补贴政策的通知》(财建〔2018〕18号)、《关于进一步完善新能源汽车推广应用财政补贴政策的通知》(财建〔2019〕138号)、《关于支持新能源公交车推广应用的通知》(财建〔2019〕213号)等有关文件执行。





分享到:
相关文章 iTAG:
海南将建新能源汽车废旧动力蓄电池回收网络体系
新能源汽车产业链迎来深度洗牌
锂电池助推能源革新(新知)核心技术尚未突破
政策新能源汽车产业发展规划工信部 新能源汽车产业未来
2017年新能源汽车推广补贴金额超220亿
永磁电机造就新能源汽车“强大内心”
“十一”中国新能源出行再攀高峰 智能电动汽车引领出游
为保护气候德国将修建100万个充电桩
频道推荐
服务中心
微信公众号

CESI
关于本站
版权声明
广告投放
网站帮助
联系我们
网站服务
会员服务
最新项目
资金服务
园区招商
展会合作
节能产业网是以互联网+节能为核心构建的线上线下相结合的一站式节能服务平台。
©2007-2020 CHINA-ESI.COM
鄂ICP备19009381号-2
节能QQ群:39847109
顶部客服微信二维码底部
扫描二维码关注官方公众微信